РАЗРАБОТКА РАБОЧЕЙ ДОКУМЕНТАЦИИ ДЛЯ ОРГАНИЗАЦИИ ЦЕХА СИНТЕЗА И ОЧИСТКИ ВЫСОКОАКТИВНЫХ АФС
Заказчик: ООО «СЕВЕР ФАРМАСЬЮТИКАЛЗ»
Задача: Разработка Рабочей документации по разделам ТХ «Технологические решения», «Автоматизация технологических решений» с целью проведения капитального ремонта здания Изварино Фарма
Перед командой специалистов ООО «РЕАТОРГ» в конце 2022 года была поставлена задача провести анализ концептуального проекта и исходных данных, разработать планировочные решения под новые задачи Заказчика и подготовить Рабочую документацию (раздел ТХ, АТХ) для организации производства АФС.
Второй задачей ООО «РЕАТОРГ» было размещение в отдельной выделенной зоне лабораторного участка, позволяющего Заказчику проводить анализ качества продукции и исследования в области разработки новых субстанций.
В процессе анализа конструктива здания 1966г. постройки были приняты решения, позволяющие Заказчику с минимальными корректировками использовать существующие помещения с целью размещения цеха синтеза и перекристаллизации АФС и лабораторного участка.
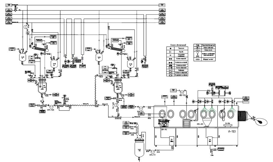
Процесс проектирования начался с составления технологических схем и спецификаций основного технологического оборудования. Были разработаны решения и подобрана номенклатура оборудования, отвечающая требованиям с точки зрения изолирования процесса от окружающей среды, рисков деконтаминации и угрозам персоналу, при этом позволяющая с максимальной энергоэффективностью использовать оборудование.

Завершив аппаратурное оформление процесса, перешли к одной из самых сложных задач - размещению нового производства в существующем здании. Было предложено множество компоновочных решений, определены категории помещений по пожаро-взрывоопасности, приняты решения по выделению помещений для вспомогательного технологического оборудования.
В результате получилось максимально эффективно разместить производственный участок в соответствии с действующими требованиями к производству АФС.


После согласования окончательной планировки был начат процесс подготовки рабочей документации. Специалистами ООО «РЕАТОРГ» были разработаны тома раздела ТХ:
1. Технологические решения. Технология синтеза и перекристаллизации.
2. Технологические решения. Лабораторный блок.
3. Технологические решения. Автоматизация технологического процесса.
Вся документация разработана в соответствии с требованиями «ГОСТ Р 21.101-2020. Основные требования к проектной и рабочей документации», «Решение Совета Евразийской экономической комиссии № 77 «Об утверждении Правил надлежащей производственной практики Евразийского экономического союза» от 3 ноября 2016 года», «ГОСТ Р ИСО 14644-1-2017. Чистые помещения и связанные с ними контролируемые среды. Часть 1. Классификация чистоты воздуха. ISO 14644-1-99», «ГОСТ Р ИСО 14644-4-2002. Чистые помещения и связанные с ними контролируемые среды. Часть 4. Проектирование, строительство и ввод в эксплуатацию» и других действующих стандартов, СП и документов.
Были подготовлены технические задания на разработку смежных разделов, проработаны требования по обеспечению защиты персонала и окружающей среды от последствий внештатных ситуаций и аварий.




