РАЗРАБОТКА ПРОЕКТНОЙ ДОКУМНТАЦИИ ДЛЯ ОРГАНИЗАЦИИ ЦЕХА ПРОИЗВОДСТВА АФС МОЩНОСТЬЮ 34 Т/ГОД
Заказчик: АО «БИОХИМИК»
Задача: предпроектная подготовка, разработка концептуального проекта, разработка проектной документации для организации производства АФС
Перед командой специалистов компании REATORG была поставлена задача провести предпроектную подготовку, разработать концептуальный проект и подготовить проектную документацию (раздел ТХ «Технологические решения») для организации цеха производства АФС мощностью 34 тонны в год.
В процессе предпроектной подготовки были проанализированы перечень продуктов заказчика, объемы производства, описание процессов синтеза и очистки.
Процесс проектирования начался с составления технологических схем и спецификаций основного технологического оборудования. Завершив аппаратурное оформление процесса, перешли к одной из самых сложных задач - размещению нового производства в существующем здании. Было предложено множество планировок, внесены коррективы в объемы производства, добавлены дополнительные оси к зданию, но оптимальный вариант в итоге был найден.

После согласования окончательной планировки был начат процесс разработки проектной документации. Специалистами компании REATORG были разработаны 3 тома раздела ТХ:
1. Технологические решения
2. Технологические решения. Чистые среды
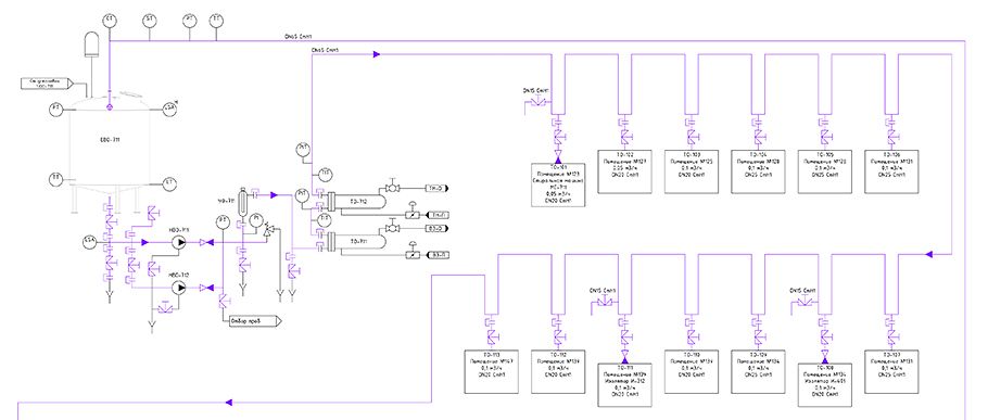
3. Технологические решения. Снабжение сжатым воздухом и технологическими газами.
Раздел ТХ был разработан в соответствии с Постановлением Правительства РФ №87 «О составе разделов проектной документации и требованиях к их содержанию», но не ограничивался им.
В частности, в рамках первого тома были подготовлены технические задания на разработку смежных разделов, включая задание на проектирование отдельного склада хранения ЛВЖ и локальных очистных сооружений (ЛОС). Также была разработана система нагрева и охлаждения емкостного оборудования с использованием вторичных термостатов, которые смешивают тепловые потоки от двух линий – высокотемпературной (термомасло) и низкотемпературной (ПМС): термомасло нагревается с помощью технического пара, а охлаждение ПМС происходит в низкотемпературном чиллере. Была разработана система инертизации оборудования азотом для предотвращения образования взрывоопасных смесей в емкостном оборудовании и фильтрующих центрифугах.
В рамках второго тома была разработана система получения, хранения и распределения воды высокоочищенной, установки приготовления, нагрева и подачи моющих растворов, описана система деконтаминации технологического оборудования для производства АФС категории 1.2Б по МБЧ с использованием паров перекиси водорода.

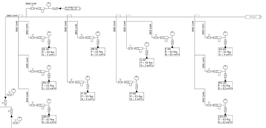
В рамках третьего тома подобрано компрессорное оборудование, спроектирована система распределения сжатого воздуха, выполнен подбор генераторов азота, фильтров для очистки, спроектирована система распределения. Была спроектирована вакуумная система, произведен подбор вакуумных насосов, рассчитана площадь теплообменников для конденсации паров растворителей, поступающих в систему при проведении процессов сушки.

В данный момент начата реализация проекта. Компания REATORG выступает в качестве поставщика технологического оборудования, подрядчика по монтажу оборудования и технологических трубопроводов, проведению пуско-наладочных работ.


